
스케치업 독학 예제 1-6
지난번 시간까지 문틀과 문을 만들어 주는 작업을 했습니다. 이번시간에는 바닥과 천장을 만들어 주도록 하겠습니다.
rectangle 도구나 라인도구를 이용해서 천장 및 바닥면을 만들고 Push Pull 을 이용하여 두께를 만들어주는 작업을 할 예정입니다. 특별한 것은 없지만 일반적으로 화장실의 바닥은 다른 방들의 바닥보다 10cm 정도 아래에 있고 천장또한 다소 낮은 것이 일반적입니다. 그리고 거실에는 우물천장을 넣어주는 작업을 하겠습니다.
스케치업 독학 - 문틀과 문 만들기 2 (9mm 문선) I 예제 1- 5 (Follow me & tags)
스케치업 독학 예제 1 - 5 이번시간에는 지난 시간에 이어 문틀을 만들어 주도록 하겠습니다. 이번에 만들어 줄 문틀은 일반 문선을 가진 문틀이 아닌 깔끔함으로 많은 사랑을 받았던 9mm 문선을
obsession.betterthangood-life.com
지난번시간까지 진행했던 문틀 작업을 하지 않으셨던 분들이라면 위의 링크를 통해 작업을 해보시는 것을 추천드립니다. 한번 읽어 보신 뒤 이미 아시는 내용이라면 아래에 첨부해드리는 첨부파일을 저장하셔서 오늘 알려드리는 예제를 하시면 됩니다. 원룸 만들기를 통해 프로그램의 사용법을 알려드리고 있으니 천천히 따라오세요~~
스케치업 독학 예제 1 - 5 복습
예제를 시작하기전에 지난번 시간의 복습을 하도록 하겠습니다. 아직 현관문을 만들어주지 않았기 때문에 현관문을 만들어주며 지난번 시간에 했던 예제를 복습하겠습니다. 현관문은 지난번 과 지지난번에 했던 문틀과 다르게 문선이 들어가지 않는것이 일반적입니다. 도면은 복잡해보이나 어렵지 않으니 잘 따라와 주세요~!!

1. 파일 불러오기
- 모든 예제는 파일을 불러오는 것 부터 시작합니다. 스케치업프로그램을 더블클릭하여 열고 가장 처음 뜨는 창에서 Open file 을 클릭하여 지난번 시간에 했었던 예제 또는 제가 첨부해드린 파일을 열어주시면 됩니다.

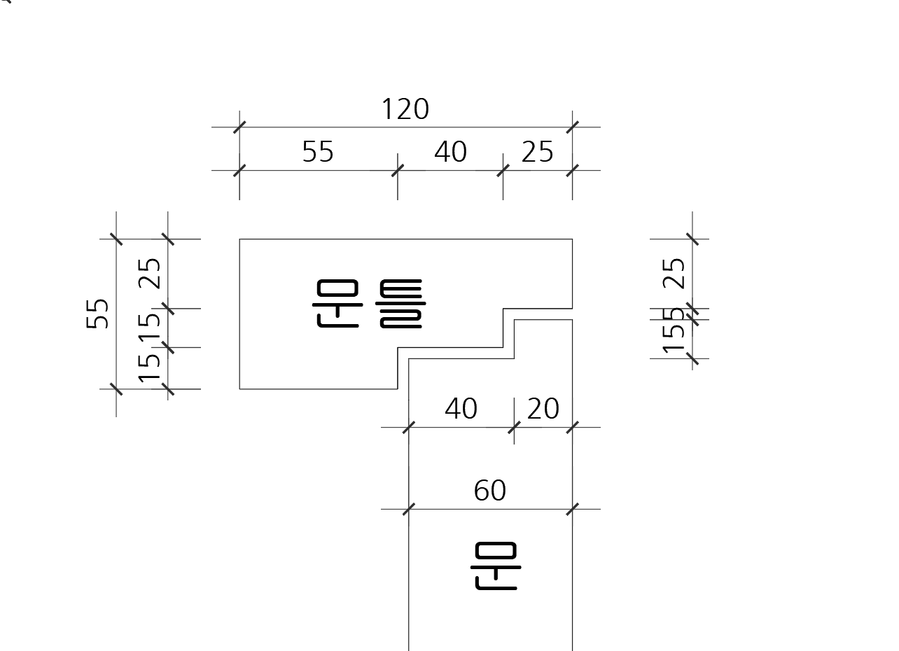
2. 현관문 문틀 단면도 만들기
- 문틀은 Follow me 도구를 이용하여 만들어주면 됩니다. 그를 위해 문틀의 단면을 만들어야합니다. 위에 드린 도면과 같이 단면도를 만들어 주시면 됩니다.
2-1 : 현관문 문틀 단면도 만들기
1. rectangle 도구(R)로 가로 120 세로 55 사각형 만들기
2. Select 도구(Spacebar)로 더블 클릭 후 오른쪽 마우스 클릭하여 Make Group
3. 사각형 우측 하단에 가로 25, 세로 30 사각형 만들기
4. 만들어준 작은 사각형 좌측에 가로 40 세로15 사각형 만들기
5. 필요없는 선 정리





◇ 2 - 1 작업영상 ◇

2-2 : 현관문 문틀 만들기
1. 문틀이 들어갈 위치에 Rectangle 도구 (R)로 사각형 그려주기
2. 마우스 오른쪽 클릭하여 사각형 그룹화
3. 사각형 그룹편집 모드에 들어가서 면 클릭 후 삭제
4. 2-1에서 만든 단면도를 복사하여 사각형 그룹내부에 붙여넣기
5. Rotate 도구(Q)을 이용하여 단면도 돌려주기
6. move (M)를 이용하여 적당한 위치에 배치
7. 단면도 Explode(x) 후 사각형 라인 선택
8. Follow me 도구 선택 후 단면도 클릭









◇ 2 - 2 작업영상 ◇

2-3 : 현관문 문 만들기
1. 문이 들어갈 자리에 Rectangle 도구 (R)로 사각형 그려주기
2. 만들어준 사각형 더블 클릭하여 마우스 오른쪽 클릭 후 그룹화
3. 사각형 그룹편집 모드에 들어가서 offset(f) 내부로 4mm
4. 외부 사각형 삭제
5. Push Pull 도구로 20mm 밀기
6. 마우스 휠 클릭하여 반대면 으로 화면이동
7. 반대쪽 면 선택후 Offset (F) 15mm
8. Push Pull 도구로 40mm 당기기








◇ 2 - 3 작업영상 ◇

스케치업 독학 예제 1 - 6 서론
천장과 바닥은 인테리어에서 가장 중요한 부분입니다. 일반적으로 화장실이 보통 바닥보다는 낮아 물이 넘치는 것을 방지하며 화장실의 천장은 보통 천장보다 낮아 윗집의 배관이 위치하고 있습니다. 그리고 목공이나 경량철골로 마감하는 방 및 거실의 천장과 달리 실외기실이나 베란다의 부분은 천장에 목공마감을 잘 하지않아 일반적인 방들보다 높게 형성이 되어있습니다.

위의 단면도를 기준으로 천장과 바닥을 만들도록 하겠습니다. 천장과 바닥두께를 300으로 만들어 2400 높이인곳을 기준으로 높아져야하는 부분은 높여주고 낮춰야하는 부분은 낮춰주는 방식으로 진행하겠습니다.
스케치업 독학 예제 1-6
1. 바닥 만들기
1-1 : 바닥 만든 후 화장실 바닥 표현해주기
1. rectangle 도구(R)로 만들어준 외벽을 아래 기준으로 사각형을 만들기
2. 만들어준 바닥 사각형 객체 더블 클릭 후 오른쪽 마우스 클릭하여 Make Group
3. 더블클릭하여 그룹편집모드로 진입하여 Push Pull 도구 (P)로 아래로 300
4. 화장실 부분 내벽 기준으로 라인만들기
5. 화장실 바닥부분 Push Pull 도구(p)로 150만큼 밀어주기
6. 샤워실 부분 라인 긋기
7. push pull 도구(P)로 아래로 30만큼 밀어주기
*그룹화 하는 것을 습관으로 만들어야 합니다!!!!







◇ 1 - 1 작업영상 ◇

1-2 : 현관 표현해주기 및 바닥 tags 작업
1. 현관문에서부터 1000 라인그리기
2. 라인을 기준으로 현관 라인그리기
3. Push Pull 도구(p)로 100만큼 밀어주기
4. tags 탭에서 + 눌러 Tag추가
5. 바닥으로 이름 변경
6. 만들어준 바닥 객체 태그 변경






◇ 1 - 2 작업영상 ◇

바닥만들기 완성!!

다음시간은 이번시간에 이어서 천장을 만들도록 하겠습니다.
'스케치업 > 스케치업 강좌' 카테고리의 다른 글
| 스케치업 독학 - 천장과 바닥 만들기 2 I 예제 1-7 ( rectangle & push pull ) (0) | 2023.04.18 |
|---|---|
| 스케치업 독학 - 문틀과 문 만들기 2 (9mm 문선) I 예제 1- 5 (Follow me & tags) (0) | 2023.04.15 |
| 스케치업 독학 - 문틀과 문 만들기1 I 예제 1-4 ( Follow me & tags ) (0) | 2023.04.12 |
| 스케치업 독학 - 문 뚫기 I 예제 1-3 ( Solid tools) (0) | 2023.04.10 |
| 스케치업 독학 - 벽체 세우기 예제 1-2 (Line & Offset & Push Pull) (0) | 2023.03.31 |
댓글